Marca: OBO-BETTERMANN
Ref. Fabricante: 7007358
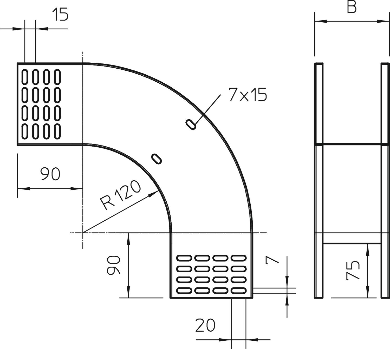
CURVA VERTICAL 90° DESCENDENTE RBV 120 F-FS
Curva vertical de 90° descendente indicada para todas las bandejas con una altura de ala de 110mm. Este accesorio de acero galvanizado en banda dispone de una anchura de 300mm. Así, el dispositivo se enmarca dentro de la gama RBV, línea que ofrece el producto en diferentes características técnicas junto a una variedad de productos de calidad con innovadores sistemas que garantizan soluciones integradas la infraestructura electrotécnica de los edificios.
- Ref. Interna: TEMO7007358
- Marca: OBO-BETTERMANN
- Ref. Fabricante: 7007358
- Gama: RBV
- Gtin: 4012195711834
- Código Grudilec: G0000803241
- Categoría: Electricidad / Bandejas, canales y tubos conducción cables / Accesorios para bandeja metálica
| Material | Acero |
| Tratamiento de superficie | Galvanizado en continuo |
| Acero inoxidable, decapado | No |
| Grosor del material | 1mm |
| Modelo | Sin conector |
| Cambio de dirección | Vertical descendente |
| Color | Cinc |
| Marca | OBO-BETTERMANN |
| Orificio de montaje en el suelo | No |
| Diagrama de agujero OTAN | No |
| Perforación lateral | No |
| Ángulo | 90° |
| Mantiene la función en caso de incendio | No |
| Apto para la altura de la bandeja de cables | 110mm |
| Apto para la anchura de bandeja de cables | 300mm |